总线型步进系统
一体式步进电机
扭矩速度控制器

步进电机是一种直接将电脉冲转化为角度位置的机械装置,角度的多少取决于脉冲的数量,它与其他配套的步进电机驱动装置共同组成了一套控制简单,而又低成本的开环系统。
开环步进电机产品系列型号及参数:
42机座带3米线
| 产品型号 | 电机长度 (mm) | 电机轴径 (mm) | 额定电流 (A) | 保持力矩 (N.m) | 转子惯量 (g.cm²) | 编码器类型 | 匹配驱动器 |
| GR42HB48-3M | 48 | 5 | 2.0 | 0.6 | 60 | 1000 | DM422 |
| GR42HB60-3M | 60 | 5 | 2.0 | 0.8 | 86 | 1000 | DM542 |
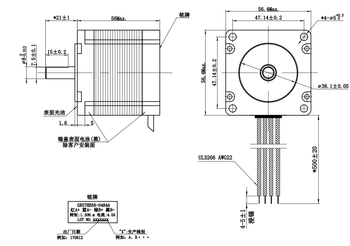
57机座带3米线
| 产品型号 | 电机长度 (mm) | 电机轴径 (mm) | 额定电流 (A) | 保持力矩 (N.m) | 转子惯量 (g.cm²) | 编码器类型 | 匹配驱动器 |
| GR57HB56-3M | 56 | 8 | 4.0 | 1.3 | 280 | 1000 | DM542 |
| GR57HB80-3M | 80 | 8 | 5.0 | 2.4 | 350 | 1000 | DM542 |
| GR57HB86-3M | 86 | 8 | 5.0 | 3.0 | 380 | 1000 | DM556 |
60机座
| 产品型号 | 电机长度 (mm) | 电机轴径 (mm) | 额定电流 (A) | 保持力矩 (N.m) | 转子惯量 (g.cm²) | 编码器类型 | 匹配驱动器 |
| GR60HB86-3M | 86 | 8 | 5.0 | 3.0 | 420 | 1000 | DM556 |
| GR60HB86-30-3M | 86 | 8 | 5.0 | 3.0 | 420 | 1000 | DM556 |
86机座
| 产品型号 | 电机长度 (mm) | 电机轴径 (mm) | 额定电流 (A) | 保持力矩 (N.m) | 转子惯量 (g.cm²) | 编码器类型 | 匹配驱动器 |
| GR86HB80-3M | 80 | 14 | 6.0 | 4.5 | 1800 | 1000 | DM556 |
| GR86HB118-3M | 118 | 14 | 6.0 | 8.5 | 2700 | 1000 | DM556 |
| GR86HB156-3M | 156 | 14 | 6.0 | 12.0 | 4000 | 1000 | DM860H-KT |




